石英砂過濾器工作原理
文章出處:http://www.zzjwbz.com/ 人氣:發表時間:2019-12-22 20:14
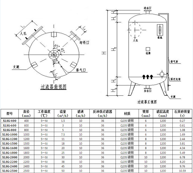
石英砂過濾器簡介
活性炭過濾器廣泛應用于水處理工藝,如飲用水的深度凈化;釀酒、飲料等行業用水的深度凈化處理;工藝冷凝水的除油、除有機物等的處理;純水、高純水制備工藝的前處理;工業廢水及生活污水的凈化處理等。設備運行時,被處理水自過濾器上部進入,自上而下的通過活性炭濾層,利用活性炭的吸附性能,使水中的有害物質,如有機物、膠體、微生物、油類、余氯、及嗅味等吸附在活性炭表面而被去除,當活性炭濾層“失效”后,可用反沖洗的方法使其恢復吸附能力。
活性炭過濾器廣泛應用于水處理工藝,如飲用水的深度凈化;釀酒、飲料等行業用水的深度凈化處理;工藝冷凝水的除油、除有機物等的處理;純水、高純水制備工藝的前處理;工業廢水及生活污水的凈化處理等。設備運行時,被處理水自過濾器上部進入,自上而下的通過活性炭濾層,利用活性炭的吸附性能,使水中的有害物質,如有機物、膠體、微生物、油類、余氯、及嗅味等吸附在活性炭表面而被去除,當活性炭濾層“失效”后,可用反沖洗的方法使其恢復吸附能力。
活性炭過濾器的工作是通過炭床來完成的。組成炭床的活性炭顆粒有非常多的微孔和巨大的比表面積,具有很強的物理吸附能力。水通過炭床,水中有機污染物被活性炭有效地吸附。此外活性炭表面非結晶部分上有一些含氧管能團,使通過炭床的水中之有機污染物被活性炭有效地吸附。活性炭過濾器是一種較常用的水處理設備,作為水處理脫鹽系統前處理可有效保證后級設備使用壽命,提高出水水質,防止污染,特別是防止后級反滲透膜,離子交換樹脂等的游離態余氧污染。
活性炭凈水器結構合理,使用方便,適用于水質要求較高的各種飯店、賓館、車站、碼頭、工礦企事業單位,作為生活應用水的深度凈化設備。該設備與紫外線飲水消毒器配套使用,可以作為釀造飲料、食品、制藥、化工等工業用水的理想凈水設備。同時也可作為工業污水后給處理設備。
石英砂過濾器工作原理
石英砂過濾器工作原理

石英砂過濾器參數


如果您有污水需要處理或者是了解污水處理設備價格,可以聯系我們,一對一量身定制適合您的污水處理解決方案,歡迎新老用戶前來洽談合作。
下一篇:水產養殖污水處理微濾機工作原理 上一篇:旋流沉砂池工作原理
同類文章排行
- 再生塑料清洗污水怎么處理
- 蘭美拉斜板沉淀池工作原理
- 生活污水處理設備重慶廠家帆盾達標
- 學校食堂泔水處理方法
- 電子廠半導體廢水處理工藝流程
- 自來水廠生活飲用水一體化凈水設備工藝原理
- 纖維轉盤過濾器工作原理
- 含尿素污水怎么處理,尿素污水處理工藝流程
- 研磨拋光廢水處理工藝流程
- 硫酸鎂廢水怎樣處理,硫酸鎂廢水處理方法